Liquid Line Separators

STAR TRACE's Liquid Line Separators are designed to extract the ferrous materials from the slurry or liquid raw materials in order to purify the material in the production process. Strong magnetic tubes filter the flow and extract the unwanted ferrous metal. The unit is simply connected to the existing pipeline via flanged or threaded ends. Simple and easy access is possible using the quick release lid. Cleaning of the magnets is easily accomplished by removing the cover plate of the housing and sliding out each magnet assembly.

  • Liquid Line Separators
  • Prong Magnet
Liquid Line Separators Construction
  • Condition: Well polished.
  • All of magnetic bars are waterproof.
  • 100% Stainless Steel construction.
  • Liquid tight with food grade O-rings.
  • Easy-clean type can be provided on request.
  • Easy access for inspection and maintenance.
  • Tri-clamp, Bevel-seat (Acme thread), or weld end inlet and outlets.
  • It can be fastened by screw nuts; it also can be fastened by band clamp.
  • It is equipped with high-energy Rare-earth Magnets. Diameter of magnetic bar is 1".
  • Construction uses Type 304 stainless steel. Type 316 stainless steel available on request.
  • Highest grade of magnet material with choices including Neodymium-Iron-Boron(rare-earth), Samarium-Cobalt (rare-earth), Ceramic and Alnico.
Liquid Line Separators Classification
Groups Products
Group 1 - Fluid and strained Products Beverages, thin soups, juices, jellies, light sauces, custard, syrups & salad dressing.
Group 2 - Fibrous & Crushed Products Crushed fruits & Vegetables, chopped foods, medium syrups, vegetable soups, thick salad dressing.
Group 3 - Viscous or heavy Products Thick puddlings, hot processed, creamed cheese, baby foods, frozen slush, heavy sauces, thin batters, heavy purees, heavy syrup, warm jam.
Group 4 - Viscous & Fibrous Products Minced meat, ground meat products, pet foods, warm preserves, meat emulsion, thick batters, meat spreads, other viscous products.

Liquid Line Separators Applications

  • All units incorporate a sump type housing to trap non-ferrous particles.
  • Efficiently remove tramp iron before maintenance and product contamination problems occur.
  • Liquid Trap Magnets are engineered to remove ferrous contaminants from liquid and slurry lines.
  • Liquid Traps may be installed horizontally, vertically, or on an angle without affecting their magnetic efficiency.
  • The benefits of this magnetic separator can be experienced in most cases with no appreciable pressure drop or reduction in flow rates.
Liquid Line guide

Liquid Line Separators Types

Cage Style "T" Traps:

liquid line separators T

T-Trap Magnetic separators are designed for heavy duty, large volume liquid and semi-liquid line flow systems. The T-Trap employs a slip-in cage of stainless steel permanent magnetic tubes, which capture ferrous tramp metal particles and improve the purity of the product. As the particles collect, they migrate to the rear of the tubes where they remain protected from wash-off until the tubes are cleaned. With its top access bolt-on steel plate and seal, the T-Trap is easy to clean. Simply remove the top, lift out the magnet cage, wipe clean and reinstall. Available in 7 standard line sizes from 2" to 18" inches in diameter, STR T-Trap's can also be produced to meet special applications. EZ-Clean upgrade packages are available for some styles of manual clean, cage style T-Traps.

Cage Style "T" Traps:

liquid line separators

When tramp metal protection is required for liquid lines carrying viscous to fibrous products, the plate style T-Trap is ideal. This magnet allows the product to flow through the housing without causing product bridging. An interior baffle is used to direct the entire product flow towards the powerful plate magnet, ensuring that tramp metal is forced into the magnetic field. Installation of the plate style magnet can be in any position. Vertical position eliminates the sump area, and in horizontal lines, cleaning is made easier when the magnet element is installed on top. Available in standard line sizes of 2" and 3" diameters. STR can also manufacture magnets for special applications or line sizes.

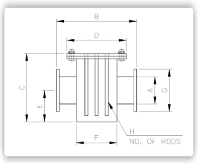
Liquid Line Separators Specification

Prong Magnets Specification
CAGE STYLE
ALL DIMENSION ARE IN INCHES Litres/Min
Part No A B C D E F G H Group1 Group 2 Group 3 Group 4 Weight Kg
STR 02 2 10 6 7.5 3.25 7.5 -9 5 546 382 191 82 13.2
STR 02.5 2.5 12 7.5 9.75 4.38 9.75 0 7 909 638 318 136 22.7
STR 03 3 12 9 9.75 4.38 9.75 0 7 909 636 318 136 22.7
STR 04 4 12 12 10.25 4.38 9.75 0 7 1227 859 432 186 27.2
STR 06 6 23 18 16 13.38 10.75 11 9 7273 5091 2545 1236 104.4
STR 08 8 26 24 19 17.25 12.75 13.5 9 7273 5091 2545 1236 124.7
STR 10 10 30 30 23.5 21 16 16 15 7273 5091 2545 1236 261
STR 12 12 34 36 25 21 18 19 15 14318 10023 500 2432 295
STR 14 14 36 42 27.5 23.38 20 21 15 14371 10023 500 2432 333.5
STR 16 16 40 46 32 25.63 24 23.5 17 23836 18545 8273 4000 442.4
STR 18 18 40 50 32 27.5 24 25 17 23836 16545 8273 4000 476.4
PLATE STYLE
Model no. A B C D Group1 Group 2 Group 3 Group 4 Weight Kg
STR-15 1.5" 4.25" 5.50" 10.0" 245 189 94 57 8
STR-20 2.0" 4.25" 5.50" 10.0" 245 189 94 57 8
STR-25 2.5" 4.75" 7.75" 13.5" 528 339 226 132 14
STR-30 3.0" 4.75" 7.75" 13.5" 528 339 226 132 14
Note:
  • Technical data specification subject to change.
  • Special Liquid Line Separators Specification can be made on request, Please send us your technical data to our engineers.
Our Other Links